Crawford Dimensional Management, LLC
310 Kingsdown Dr.
Crossville, TN 38558-9052
ph: 1-931-337-7457
Norm
Crawford Dimensional Management specializes in helping companies to use Model Based Definition within Dimensional Management Lifecycles.
With or without model based definition, dimensional management is a lifecyle that involves numerous areas of product development. There is much more to dimensional management than just the GD&T.
Dimensional Management is about:
Model Based Definition along the ASME Y14.41 standard for Digital Product Defintion is a process to streamline the existing dimensional management lifecycle.
Whether using Model Based Definition, traditional drawings or a combination of the two, companies can often leverage their existing technology investment to achieve huge benefits. In otherwords, your company may very likely already have the tools needed to make great improvements in the dimensional management lifecycle, but not using it.
From early concept design through product delivery, Crawford Dimensional Management approaches dimensional management lifecycle modernization from a business perspective focused on immediate benefits with minumum cost.
See the services page for more details.

Model based definition is applying dimensions and tolerances directly to a 3D model per ASME Y14.41. along with othered required information necessary to clearly define the deign intent, manufacture the part, and verify the part meets the requirements..
How an enterprise chooses to use Model Based Definition is where CrawfordDM comes in. In the image above, the example model is setup to translate well into a traditional 2D drawing making producing a drawing very fast.

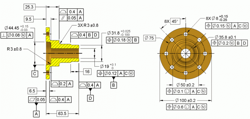
The image above shows the same model in a traditional 2D drawing format using the 3D annotation.

The more efficient MBD approach is shown above. Note that centerlines and BASIC dimensions are not used saving significant time and clutter. With either method, features attached to annotation highlight when the annotation is selected.
Different CAD systems behave differently with MBD annotation. CrawfordDM investigates those differences so that the process can be molded to fit your company tools and business needs.
Below are some standards related to MBD.
ASME Y14.41-2012 (originally 2003)
See the Links for your research page for additional information.
Images made available courtesty of Applied Geometrics, Inc.
Models created by Norm Crawford
Copyright 2014 Crawford Dimensional Management, LLC. All rights reserved.
Crawford Dimensional Management, LLC
310 Kingsdown Dr.
Crossville, TN 38558-9052
ph: 1-931-337-7457
Norm